" />
" />
尊皇国际中国官方网站 - 产品展示 - 尊皇国际-尊皇国际
中文版
English
首页
尊皇国际简介
产品展示
新闻中心
应用领域
人才招聘
联系我们
1
2
3
4
5
尊皇国际简介
产品展示
尊皇国际
驱动器
证书
新闻中心
应用领域
人才招聘
联系我们
您所在位置:
首页
> 尊皇国际
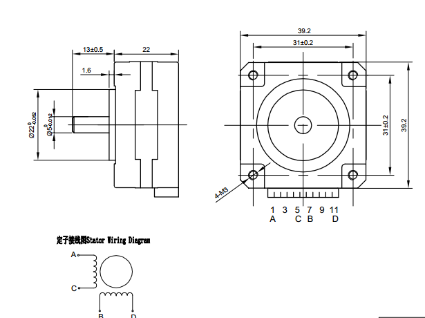
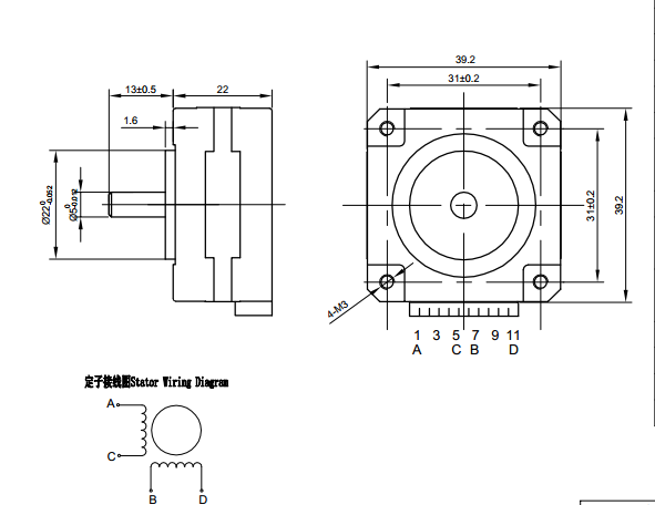
39系列
点击率:4644 更新时间:2016/3/29 16:16:38
上一页:
42系列
下一页:
35系列